
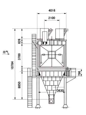
宽间距高压静电除尘器是当前世界上最先进的高效除尘器之一。所谓“宽间距”就是电除尘器的极板间距大于300mm,具体指400mm以上的极板间板。
适用范围
CDPK(H)—10/2型,适用于φ2.4×18mm或φ2.8×14mm回转式烘干机(顺流或逆流)H标号是耐蚀烘干机专用。
CDPK—10/2型φ1.9/1.6×36m小型中空干回转窑
CDPK—30/3型φ2.4×44m左右的五级预热回转窑
CDPK—45/3型两台并用,适用于φ4.0×60立筒式或四对预热器回转窑
CDPK—67.5/3型适用于φ3.0×48m产量700t/d预分解回转窑
CDPK—90/3型适用于φ4×60m产量1000t/d预分解回转窑
CDPK—108/3型适用于大型回转窑
CDPD系列用于湿法或立波尔回转窑时,在结构上考虑了耐蚀措施。
![]() |
|
![]() |
![]() |
|
|