MDC、PDC煤磨防爆静电袋除尘器
简介
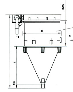
MDC防爆型袋式收尘器和PDC普通型袋收尘器是国家建材局合肥水泥研究设计院最新研制的一种高效收尘器,该除尘设备的研制是在吸取国外同类设备先进经验的基础上,结合国内具体情况而完成的。MDC防爆型袋收尘器采用负压工作,用于煤磨系统收尘在江苏坯县水断绝厂投运成功,是国家“七·五”期间科技攻关项目。
MDC防爆型袋收尘器采用防静电滤料,机体具有防爆结构,并设有泄压装置,具有防爆性能,适用于煤粉制备系统以易燃、易爆粉尘的收集,该除尘设备机械动作部件少,维修工作量小,换袋方便,由于采用脉动分室清灭,收尘效率高,能够长期、高效运行,收尘效率在99.8%以上。PDC普通型收尘器除设有防爆性能外,具有上述同样优点。可以广泛地应用于水泥、电力、冶金、化工等工作废气的收尘。如水泥磨、生料磨、矿山破碎、物料提升、运输等扬尘点的收尘均可使用。
技术性能
|
项目
|
规格
|
MDC24-3
PDC24-3
|
MDC31-3
PDC31-3
|
MDC42-3
PDC42-3
|
MDC56-3
PDC56-3
|
MDC52-4
PDC52-4
|
MDC73-4
PDC73-4
|
|
处理风量(m3/h)
|
3500~4375
|
4500~5625
|
6000~7500
|
8000~10020
|
10000~12500
|
14000~17500
|
|
过滤面积(m2)
|
73
|
94
|
125
|
167
|
208
|
292
|
|
单元数
|
3
|
3
|
3
|
3
|
4
|
4
|
|
滤袋总条数
|
24
|
24
|
24
|
30
|
40
|
40
|
|
过滤风速(m/min)
|
0.8~1.0
|
|
收尘器阻力(Pa)
|
~1200
|
|
除尘效率(%)
|
>99.8
|
|
适用温度(℃)
|
<110
|
|
设备重量(T)
|
3.97
|
4.54
|
4.64
|
5.29
|
6.61
|
7.94
|
|
备注
|
1.设备重量不包括保温层重量
2.MDC X1-X2
MDC:煤磨型袋收尘器
X1:单室过滤面积整数值
X2:室数
|
|
|
|
项目
|
规格
|
MDC75-5
PDC75-5
|
MDC76-6
PDC76-6
|
MDC77-7
PDC77-7
|
MDC89-7
PDC89-8
|
MDC47-16
PDC47-16
|
|
处理风量(m3/h)
|
18000~22500
|
22000~27500
|
26000~32500
|
30000~37500
|
36000~45000
|
|
过滤面积(m3)
|
375
|
458
|
542
|
625
|
750
|
|
单元数
|
5
|
6
|
7
|
7
|
16
|
|
滤袋总条数
|
50
|
60
|
70
|
70
|
80
|
|
过滤风速(m/min)
|
0.8~1.0
|
|
收尘器阻力(Pa)
|
~1200
|
|
除尘效率(%)
|
>99.8
|
|
适用温度(℃)
|
<110
|
|
设备重量(T)
|
10.58
|
11.96
|
14.61
|
17.25
|
19.84
|
|
备注
|
PDC X1-X2
PDC:普通型收尘器
X1:单室过滤面积整数值
X2:室数
|
|