SZD组合电收尘器

SZD型组合电收尘器将电旋风、电抑制、电凝聚等三种复式收尘机理组合为一全,属世界首创,具国际先进水平。
SZD型组合电收尘器适用于建材冶金、化工、电力等行业、治理污染、回收物料,用于水泥磨收尘。
型号说明
SZD/4-1600型
S:设备类属收尘
Z:组合电收尘
4:并联台数
1600:简体直径mm

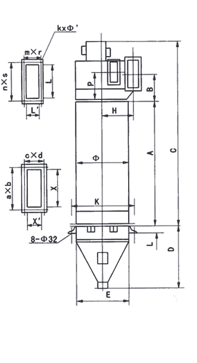
技术性能  
  规格 SZD-1370 SZD/2-1370 SZD/4-1370 SZD/5-1370 ZD-1600 BZD/2-1600 BZD/3-1600 BZD/5-1600
型号
筒径×台数 1370×1 1370×2 1370×4 1370×5 1600×1 1600×2 1600×3 1600×5
主电场断面积(m2) 1 2 4 5 1.5 3 4.5 7.5
处理风量(m3/h) 3000-4000 6000-8000 12000-16000 24000-32000 4000-5500 8000-10500 12000-16500 30000-44000
电场风速(m/s) 电旋风 1.9-2.8 1.9-2.8 1.9-2.8 1.9-2.8 2.4-3.4 2.2-3.3 2.4-3.6 2.36-3.2
电凝聚 0.84-1.2 0.84-1.2 0.84-1.2 0.84-1.2 0.8-1.15 0.74-1.1 0.8-1.2 0.8-1.2
允许含尘浓度(g/Nm3) 100
除尘效率(%) 99.9
允许烟气温度(℃) 200大于200℃特殊定货
允许负压(mmH2O) 200
压力损失(mmH2O) 100
振打方式 电机振动式
重量(kg) 3150 6374 9550 16700 3308 6615 9870 17690
  • 查看与 | 
  • 除尘器 | 
  • 电除尘器 | 
  • 电收尘器 | 
  • 组合电收尘器 | 
  • 相关产品
  •  相关新闻
     推荐产品