LMN-Ⅱ袋式除尘器
简介
LMN-Ⅱ型袋式除尘器采用与其它袋式尘器清灰方式不同的脉动反吹气流清灰方法较少的反吹气流产生空气振动,达到清灰的目的,使用方便,应用范围较广,LMN-Ⅱ型袋除尘器的清灰机构由链传动装置和切换脉动阀组成,具有结构简单,运行可靠、维修方便、除尘设备效率高等特点,根据处理气量的大小,本脉动反吸反吹袋式除尘器有不同数量的单元组合,分为3-14个单元组合形式。
型号说明
LMN-Ⅱ-180
L:过滤式
M:脉冲
N:逆气流
Ⅱ:第二次设计
180:滤袋数
技术性能
| 型号 |
组数×袋数 |
过滤面积(m2) |
过滤风量(m3/h) |
过滤风速(米/分) |
阻力(Pa) |
外型尺寸(长×宽×高)(m) |
| LMN-Ⅱ-54 |
3×54 |
99 |
2970-11880 |
0.5~2.0 |
70~180 |
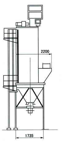
2595×2200×6610 |
| LMN-Ⅱ-72 |
4×72 |
132 |
3960-15840 |
3249×2200×6610 |
| LMN-Ⅱ-90 |
5×90 |
165 |
4950-19800 |
3989×2200×6610 |
| LMN-Ⅱ-108 |
6×108 |
198 |
5940-23760 |
4729×2200×6610 |
| LMN-Ⅱ-126 |
7×126 |
231 |
6930-27720 |
5469×2200×6610 |
| LMN-Ⅱ-144 |
8×144 |
264 |
7920-31680 |
6209×2200×6610 |
| LMN-Ⅱ-162 |
9×162 |
297 |
8910-35640 |
6999×2200×6610 |
| LMN-Ⅱ-180 |
10×180 |
330 |
9900-39600 |
7289×2200×6610 |
| LMN-Ⅱ-198 |
11×198 |
363 |
10890-43560 |
8429×2200×6610 |
| LMN-Ⅱ216- |
12×216 |
396 |
11880-47520 |
9169×2200×6610 |
| LMN-Ⅱ-234 |
13×234 |
429 |
12870-51480 |
9909×2200×6610 |
| LMN-Ⅱ-252 |
14×252 |
462 |
13860-55440 |
10649×2200×6610 |
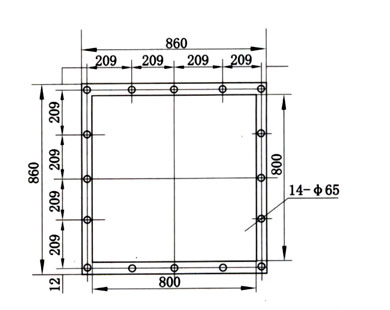
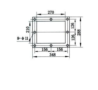
| 地角尺寸: |
 |