CCJ/A型冲击式除尘器
简介
CCJ/A型冲激式除尘器有几种不同型式的排泥浆方法,本型号为锥形漏斗排泥浆的冲激式除尘机组,定型为CCJ/A(C—冲激式;C—除尘;J—机组;A—锥形漏斗排泥浆)。按处理风量的能力分八种规格。
选用说明
一、适用范围:本机组适用于干净化非纤维性,无腐蚀性的温度不高于300℃的含尘气体。适用于冶金、煤炭、化工、铸造、发电、建筑材料及耐火材料等企业。在用于具有粘性的生石灰运输系统中的除尘亦能获得很好的效果,这是该机组的又一突出优点。
二、溢流箱的水封高度是按机组分雾室内负压不大于400毫米水柱或正压不大于150毫米水柱设计的,非此使用条件,需另行设计溢流箱。
技术性能
| 型号规格 |
进口风速(m/s) |
处理风量(m3/h) |
阻力(kg/m2) |
耗水量(t/h) |
效率(%) |
外型尺寸(长×宽×高) |
重量(kg) |
| CCJ/A-5 |
18 |
5000 |
100-160 |
0.16 |
99 |
1568×1284×3124 |
809 |
| CCJ/A-7 |
7000 |
0.23 |
1568×1634×3240 |
1058 |
| CCJ/A-10 |
10000 |
0.33 |
1568×2012×3579 |
1212 |
| CCJ/A-14 |
14000 |
0.46 |
1956×2600×4828 |
2430 |
| CCJ/A-20 |
20000 |
0.66 |
2573×2600×4828 |
3370 |
| CCJ/A-30 |
30000 |
0.98 |
3279×2600×4828 |
4132 |
| CCJ/A-40 |
40000 |
1.32 |
4200×2250×5196 |
5239 |
| CCJ/A-60 |
60000 |
1.97 |
5913×2250×5566 |
6984 |
|
CCJ/A型冲击式除尘器
|
|
|
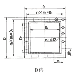
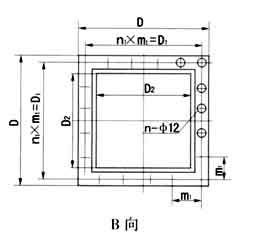
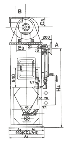
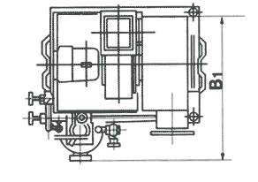
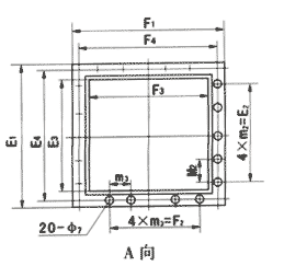
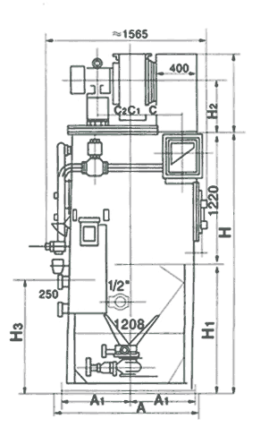
| 主要尺寸: |
 |
 |
|
|
|